Author: MUHAMMAD IBRAR YOUNAS / SUNWODA TEAM
1. Introduction
2. What is a Battery Management System (BMS) and how Does It Work?
3. Structure and Components of a BMS
4. Key Functions of a BMS
5. Why a BMS is Critical for Residential Storage
6. Conclusion
1. Introduction
The growing deployment of lithium-ion batteries for residential energy storage is driven by their unmatched performance compared to lead-acid batteries. However, fully utilizing the capabilities of lithium-ion chemistry requires sophisticated battery management to ensure safe, optimal, and enduring operation. This is where Sunwoda Energy's advanced built-in battery management system (BMS) technology comes into play.
Understanding what a BMS is and how it works is vital for both customers and installers as lithium-ion batteries continue to dominate in residential storage systems. This article will offer an in-depth look at lithium-ion battery management technology and why it is important for residential applications.
2. What Is a Battery Management System (BMS) And How Does It Work?
A battery management system (BMS) is a device used to monitor rechargeable batteries' charging and discharging cycles. It mainly monitors vital operational parameters such as voltages, currents, and the internal temperature of a battery during charging and discharging. If any parameters exceed the limits, the integrated circuits will sense the exceeded parameter and disconnect the load or charger from the battery.
The decisions on charge or discharge rates made by the BMS are based on estimated battery State of charge (SOC), battery capacity, impedance, voltage, current, temperature measurements, load demands, etc. The primary function of the BMS is to control the discharge of a battery, whereas its primary goal is to ensure that the battery is operating within the operational limits and thereby protect the cells during discharging and charging. Keeping track of battery SOC is one of the features of the BMS. These could indicate the user and control the charging and discharging processes.
3. Structure and Components of a BMS
Here is the explanation of the terms used in the above figure.
• AFE: Analog Front End. It's used to measure the voltage, temperature of battery cells, and the current of the battery pack, and have battery passive equalization.
• Battery Passive Equalization: In order to make the voltage and power of battery cells as consistent as possible, consuming power of higher voltage battery cells by resistance.
• MCU: Microcontroller Unit. Charge-discharge control of battery pack in software protection logic. Having temperature protection, voltage protection, short-circuit protection, etc. It also has external communication by CAN or RS485.
• DsgMOS: The switch of battery pack discharge is controlled by MCU.
• ChgMOS: The switch of battery pack charge is controlled by MCU.
• ChgCurrLimit: Charging battery pack at 5A current. It is controlled by MCU.
• FUSE: Fuse protection when battery pack is severe over temperature, severe overvoltage, severe under voltage
4. Key Functions of a BMS

• Cell monitoring
The BMS continuously monitors the current, voltage, and temperature of each individual cell in the battery pack. This is crucial for detecting imbalances among cells. If some cells have higher values than the set value, then the BMS can take corrective actions, such as bleeding off excess energy from the overcharged cells or limiting charging to prevent overvoltage.
• External communication function
The BMS supports 485 communication and CAN communication for external communication. By connecting the CAN communication upper computer, the BMS can achieve remote monitoring, remote communication, and remote adjustment functions. The function explanation is as follows:
Remote monitoring: Obtain battery pack operation information, such as SOC, SOH, voltage, temperature, etc.; Remote communication: Obtain the operating status of the battery pack, such as alarm protection status, charging and discharging status, etc.; Remote adjustment: configuration of functional parameters.
• Cell balancing
Every cell in a passive balancing system is linked to a bleed resistor or balancing resistor. The balancing resistor lowers the voltage by allowing a small amount of energy to discharge when a cell's voltage hits a certain threshold. This procedure continues until all cell voltages are balanced.
When the battery pack is charged without balancing, the weaker cells reach their maximum capacity before the stronger cells. Weak cells restrict the system's runtime, even when some cells may still have a significant amount of capacity. 5% of the capacity is wasted due to a mismatch in cells. This can be an excessive amount of energy wasted with big batteries.
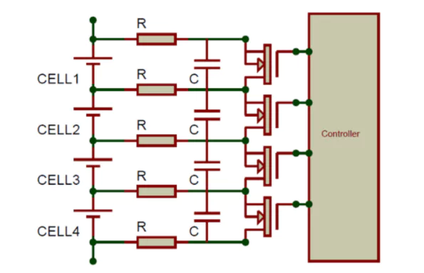
In the circuit example below, a MOSFET connects each of the four cells to two bypass resistors. The controllers measure the four cells' voltages, activating the MOSFET in the cell whose voltage is higher than the others. That specific cell discharges through the resistors when the MOSFET is switched on. We can forecast how much charge the cell will lose since we know the resistance values. The capacitor acts as a voltage spike filter during switching and is connected in parallel with the cell.
Note: Charge equalization On and off based on the voltage of the unit, the equalization current is 50mA.
• Over voltage/Under Voltage Protection
a. Discharge under voltage protection:
When discharging, the voltage of any single cell is lower than the protection value, the over-discharge protection will be started, and the battery will show an alarm signal. When the voltage of all cells is recovered to the range of released value, the protection is removed.
b. Charging over voltage protection:
During charging, when the total voltage of the battery pack or the voltage of any single cell reaches the protection value, the system stops charging. When the total voltage and the single voltage return to the released value range, the protection will be released.
• Current Protection
a. Charging Over Current Protection:
When the charging current is more than the protection value, it will automatically enter into the charging current limit state(5±1A). The current limiting module automatically runs for 30 minutes to recover; switch to discharge; restart.
b. Discharging Over Current Protection:
When the discharge current is more than the protection value, the battery will start charging recovery, restart recovery, automatic recovery after 1 minute, and trigger 3 protection locks in 1 hour.
• Temperature Protection
a. Charge low/high-temperature protection:
During charging, when the battery temperature exceeds the range of - 10 ℃ ~ + 55 ℃, the system starts the charging temperature protection, stops charging, recovers to the rated return value, and then the protection is released.
b. Discharge low/high-temperature protection:
During discharging, when the battery temperature exceeds the range of -20℃~+60℃, the system starts the discharging temperature protection, stops discharging, recovers to the rated return value, and then the protection is released.
• Three levels of circuit break protection (permanent hardware failure)
When a short circuit failure occurs in the main circuit of the BMS board, severe overvoltage, under voltage, overcurrent, and overheating of the battery cell can cause the controllable fuse in the charging and discharging circuit to permanently blow, and the BMS cannot be restored.
5. Why a BMS is Critical for Residential Storage?
The BMS is essential to getting the most out of your home energy storage system. Here are some key reasons it's so important:
• Safety: The BMS acts as the first line of defense, preventing damage from improper operation that could potentially lead to catastrophic battery failure or fire.
• Performance: Active cell balancing and charge/discharge control enable every bit of the battery's capacity to be used efficiently.
• Longevity: By maintaining safe operating conditions and evenly using all cells, the BMS allows the battery to achieve its designed lifespan.
• Accuracy: Precise state of charge and life estimations from the BMS allow the overall system to operate optimally.
• Reliability: Continuous monitoring and safety protections give peace of mind that the system will operate as intended.
6. Conclusion
In conclusion, integrating smart battery management technology is essential for maximizing the performance and ensuring the safety of lithium-ion batteries in home storage. Sunwoda Energy, a prominent player in the field of lithium iron phosphate (LFP) battery solutions, specializes in the development of advanced batteries with intelligent Battery Management System (BMS) technology tailored specifically to cater to the requirements of home energy storage applications. The BMS we have developed incorporates cutting-edge advancements in monitoring, processing, and control technologies in order to enhance the safety, lifespan, and efficiency of LFP batteries.
Sunwoda has the capability to exercise complete control over the whole production process, including the refinement of raw materials to the manufacturing of completed batteries. This enables us to provide residential users with lithium-ion batteries that are not only extremely reliable but also exhibit exceptional performance. The integration of Sunwoda's lithium-ion cells, known for their superior performance, with modern Battery Management System (BMS) technology can fully use lithium-ion storage capabilities. This development paves the way for a sustainable future that relies on energy independence.
• The products presented below have BMS built into them, making them safe and efficient and prolonging their cycle life. They additionally have a quick response time.


